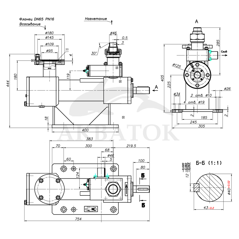
МВН 30-320А на лапах
ГАБАРИТНЫЕ И ПРИСОЕДИНИТЕЛЬНЫЕ РАЗМЕРЫ НАСОСА МВН 30-320 А (на лапах)
Насосы МВН

| МВН: Винтовые масляные насосы | ||
| Насосы трехвинтовые (3В) | ||
| МНУ: Маслонапорные установки | ||
| Клапаны к трёхвинтовым насосам | ||
| Насосные агрегаты | ||
| Оборудование для энергетических установок | ||
| Сосуд масловоздушный |